Open to Internships

Hi, I'm Andrew Riad.

I build things in

I'm a junior Computer Engineering student at Cal Poly Pomona focused on computer hardware and digital system design. I'm interested in how hardware components interact at the logic and system level, from design and simulation to testing and verification.

0 GPA
0 Degrees Earned
Location 📍 Rancho Cucamonga, CA
Looking for 🎯 Hardware Engineering Internship
Languages 🌐 English, Arabic, Spanish
Andrew Riad, Computer Engineering student

About

A quick snapshot of who I am and what I'm aiming for.

I'm a Computer Engineering student with a strong interest in computer hardware and digital system design. I enjoy working at the logic and architecture level—designing, analyzing, and testing hardware systems to understand how individual components interact and perform as a whole.

My approach to engineering emphasizes reasoning from specifications, accounting for constraints, and validating designs through simulation and hands-on testing. I'm particularly drawn to digital logic and hardware behavior.

I'm currently seeking a hardware engineering internship where I can contribute to design and verification work while continuing to build practical experience in computer hardware systems.

Digital Logic Circuit Analysis Embedded Fundamentals Troubleshooting C / C++ / C# CAD / 3D Modeling

🔭 Currently Exploring

Areas I'm actively learning and building toward — driven by curiosity and where the industry is heading.

⚙️
FPGA & HDL Development

Learning Verilog/VHDL for digital design and hardware description

🔌
Custom PCB Design

Designing and manufacturing PCBs in KiCad for personal projects

📡
RF & Signal Processing

Exploring RF communication through FPV drone systems and radio links

🧪
Hardware Verification

Building skills in testing and validating digital designs and circuits

Education

Coursework foundations and current track.

Current

California State Polytechnic University, Pomona

B.S. Computer Engineering (Junior Transfer) • Aug 2025 — Jan 2027 (Expected)

GPA 3.6

Chaffey College — Rancho Cucamonga

Associate's in Physical Science • Jan 2022 — Aug 2025

Associates degree for Transfer in Physical Science

Associates degree for Transfer in Mathematics

GPA 3.6

Relevant Coursework

Selected engineering and math courses completed.

Calculus III, Linear Algebra/Differential Equations Physics for Scientists & Engineers II (Electromagnetism & Circuits) + Labs Digital Logic Design + Lab Electrical Circuit Analysis II + Labs Object Oriented Programming & Data Structures and Algorithms Intro to Microelectronics (Including RF Concepts)

Skills

Tools and strengths I bring to a team.

Engineering

  • Circuit analysis & simulation
  • Breadboard & lab testing
  • Embedded systems basics
  • Hardware troubleshooting
  • Digital systems fundamentals

🛠 Software & Tools

  • Coding Microsoft Visual Studio, Arduino IDE
  • 3D Modeling SolidWorks, AutoCAD, Fusion
  • Circuit Simulation Multisim, KiCad
  • Office Suite Microsoft 365, QuickBooks

💡 How I Work

I like structured problem solving: define requirements, build a minimal prototype, test quickly, then iterate. I communicate clearly, document what I change, and keep projects organized.

Experience

Roles that built my operations, communication, and technical troubleshooting skills.

Office Manager

Current Role

Lock and Roll Locksmith • Feb 2025 — Present

  • Operations: Managed daily office operations, scheduling, and logistics for multiple technicians.
  • Systems: Improved accuracy and efficiency by implementing digital tracking systems and better data organization.
  • Inventory: Oversaw inventory management and supply ordering with spreadsheets and digital recordkeeping.
  • Technical: Assisted with hardware/software troubleshooting for office computers, POS, and scheduling platforms.
  • Data: Maintained customer database integrity and service documentation for reliable field communication.

Sales Associate

Office Depot • Oct 2023 — Feb 2025

  • Provided customer service and sales support in a fast-paced retail environment.
  • Advised customers on computers, printers, and tech products by comparing options and recommending solutions.
  • Handled POS transactions, returns, online order fulfillment, and inventory restocking.

Certifications

Professional credentials and completed training.

Projects

Selected labs and builds showcasing digital logic design and software engineering skills.

Work in Progress

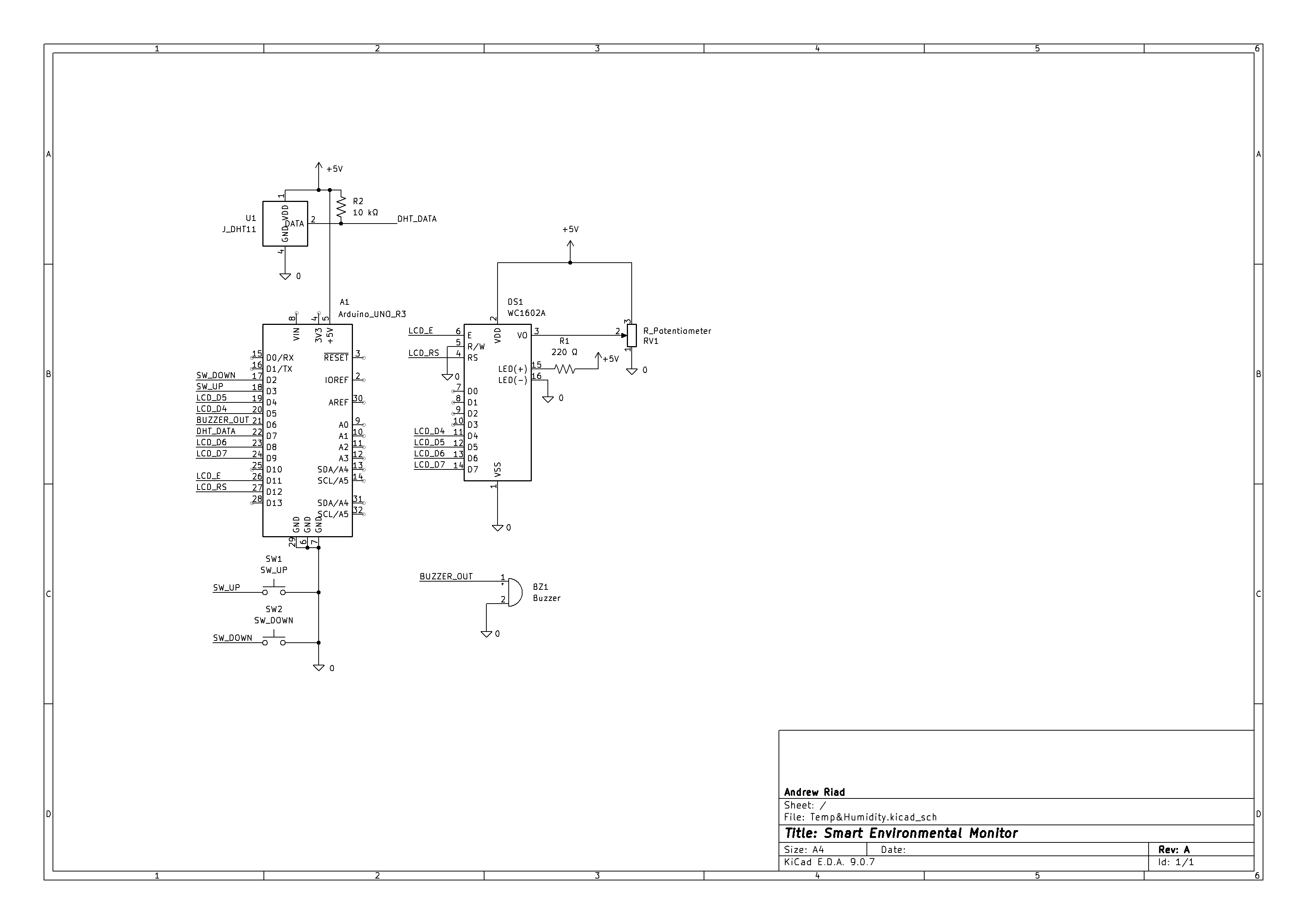
Temp & Humidity Monitor

A smart environmental monitor built around an Arduino UNO and DHT11 sensor. Reads temperature and humidity data and displays readings on a 16×2 LCD. Features user-adjustable thresholds via push buttons and a buzzer alarm. Includes a custom PCB designed in KiCad.

ArduinoPCBKiCadSensorsEmbedded
Work in Progress

Custom FPV Drone Build

A custom-built 5″ FPV quadcopter integrating a F4/F7 flight controller with a 4-in-1 ESC stack, analog or digital FPV video system, and ExpressLRS radio link. Focused on understanding the full signal chain from RC input to motor output, including PID tuning, power distribution, and RF link budget.

Key Components

  • Frame: 5″ carbon fiber freestyle frame
  • Motors: 2306 brushless motors (1700–2450 KV)
  • FC + ESC: F4/F7 flight controller + 4-in-1 BLHeli_32 ESC stack
  • FPV System: Micro camera + 25–600 mW VTX (5.8 GHz)
  • Radio Link: ExpressLRS 2.4 GHz receiver
  • Power: 4S/6S LiPo battery, XT60 connector

Status

Component selection and system planning phase. No assembly or flight testing yet.

Planned Work

  • Frame assembly and motor mounting
  • Soldering and wiring (ESC, FC, VTX, RX)
  • Firmware setup and configuration (Betaflight)
  • PID tuning and flight testing
Embedded SystemsRF CommunicationPower ElectronicsSystem IntegrationHardware Debugging

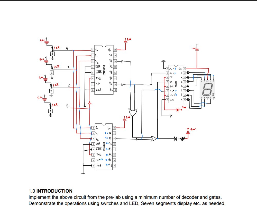
4×16 Decoder + Minterm Display (74LS138)

Designed a 4×16 decoder using two 3-to-8 decoders and minimal logic. Generated minterms 1/5/9 and drove a seven-segment display; blanked the display and lit an “OTHER” LED for all other inputs.

DecodersCombinational7‑SegmentTTL

5-bit Signed Adder/Subtractor (74LS283 / 74LS86)

Implemented a signed 5-bit adder/subtractor using cascaded full adders with XOR-controlled inversion for two’s-complement subtraction. Added sign + overflow LEDs and displayed results via BCD on a seven-seg.

ArithmeticTwo’s ComplementOverflowBCD

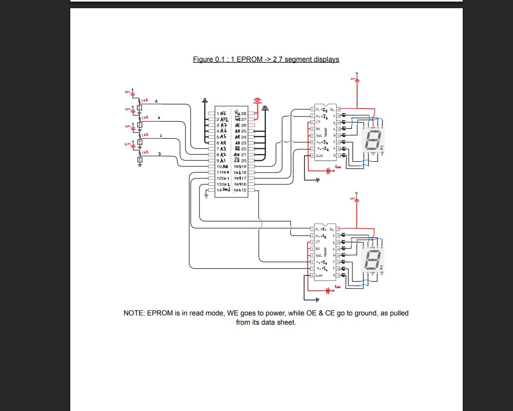
EPROM Lookup: Square of a BCD Digit

Built an EPROM-based lookup table that outputs the square of a BCD input and drives two seven-segment displays. Verified correct outputs across 0–9 inputs (with the lab’s group-specific mapping).

MemoryEPROMLookup Table7‑Segment

Nonbinary Sequence Counter (0,1,2,4,5,6,7)

Designed and built a nonbinary counter using T flip-flops (implemented with JK FFs). Derived logic with state table/K-maps and verified the sequence on a seven-seg display, including self-correction behavior.

CountersSequential LogicK‑MapsVerification

4-bit General-Purpose Register

Created a 4-bit register supporting parallel load, rotate-left, rotate-right, and increment operations using multiplexers and flip-flops. Demonstrated each mode on LEDs with switch-controlled selects.

RegistersMUXControl LogicAdders

Contact

Want to chat about an internship, a project, or a role? Reach out.

Contact form